全国免费客服电话 13328676139 邮箱:syoa12@163.com
手机:13328676139
电话:13328676139
地址:福建省福州市仓山区浦上大道208号红星点金商务中心1号楼10层08单元
发布时间:2022-10-18 22:22:46 人气:
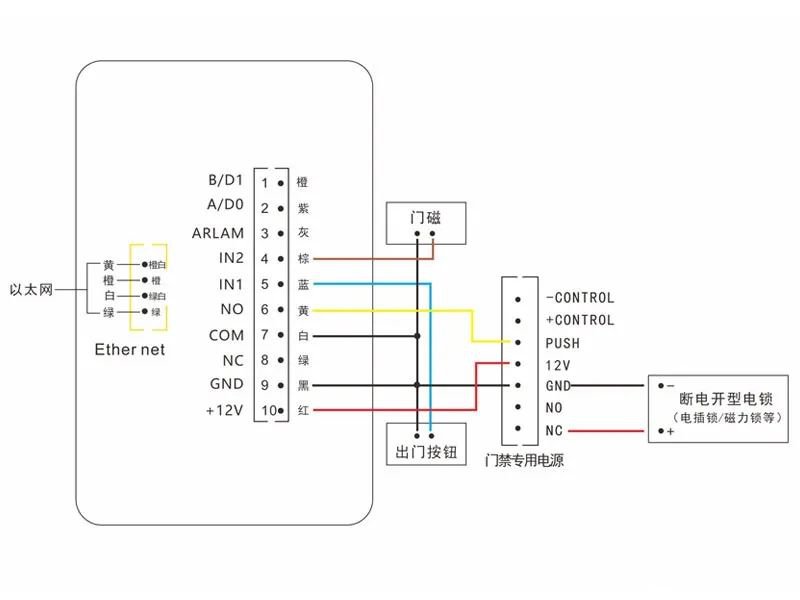
门禁电源一体机如何接线?电插锁如何接线?如何接入到门禁专用电源中,门禁系统一般用到的器材有:一体机、门禁专用电源、电插锁、出门按钮、端子线。他们是如何接入到门禁电源中的呢?前天,在我们弱电VIP技术群中也有朋友问起。
图片
本期我们一起来看下如何门禁设备具体如何接线?
一、门禁各类设备如何接入到电源中
在接线之前,要断点,所有接线不允许带电操作,先断电。

一:接门禁一体机|门禁设备
1、先接设备电源,将门禁一体机的10P(或8P)端子线的电源正级(红线)接到电源箱的12V,电源负极(黑线)接到电源箱的GND。

2、接开锁信号,将门禁一体机端子线的继电器公共端COM(白线)接到电源箱的GND,也就是说将COM与GND短接;继电器常开NO(黄线)接到电源箱的PUSH,若电源箱有两个PUSH,则接到第一个PUSH,标识为PUSH1或PUSH2。
二、接电锁
电插锁与磁力锁线接都相同,电锁的红色线接到电源箱的NC,电锁的黑色线接到电源箱的GND。若电锁无红黑线则不区分正负极。

三:接出门按钮
将门禁设备的出门按钮IN1(蓝线),接到出门按钮一端,出门按钮另一端,用一根单独的线接到GND。
出门按钮还有另一种接法:按钮端的线,不接扫码门禁设备,直接接到门禁电源的PUSH,另一端还是GND,此种接法的优势是:门禁设备拆卸后,使用按钮还能开门。出门按钮的接线,不区分正负极。
注意:门禁设备端子线,其它不使用的线,逐根用电工胶布包好。现在通电进行测试。
四:接网络
若门禁设备不需要网络则忽略这一步。将门禁设备四芯端子线按如图所示接好,端子插入设备。

这里面重点说下,门禁一体机如何接入电源中:
一般是12v-12v、gnd-gnd、com-gnd、no-push,也就是我们常说的
12接12V,负极(黑线)接gnd,公共端接(com)接gnd,常开(no)接push,最后就是这张图:
相关推荐